Home Browse By Category Browse By Manufacturer View All Equipment Sell Your Equipment Wanteds Cart View Auctions List Auction Manage Your Business Schedule A Demo Pricing News Register Login

Breton - Ultrix 800 X: 800 - Y: 900 - Z: 600 mm CNC

Brand
Model
Ultrix 800 X: 800 - Y: 900 - Z: 600 mm CNC
Stock #
A.12 15968
Year
Not specified
Condition
Not specified

Location

Not specified
Located in Deinze, Belgium

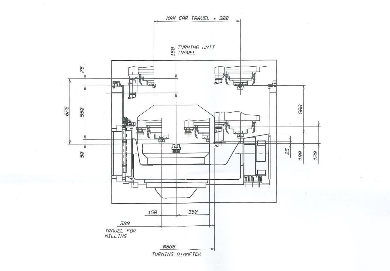
Technical information

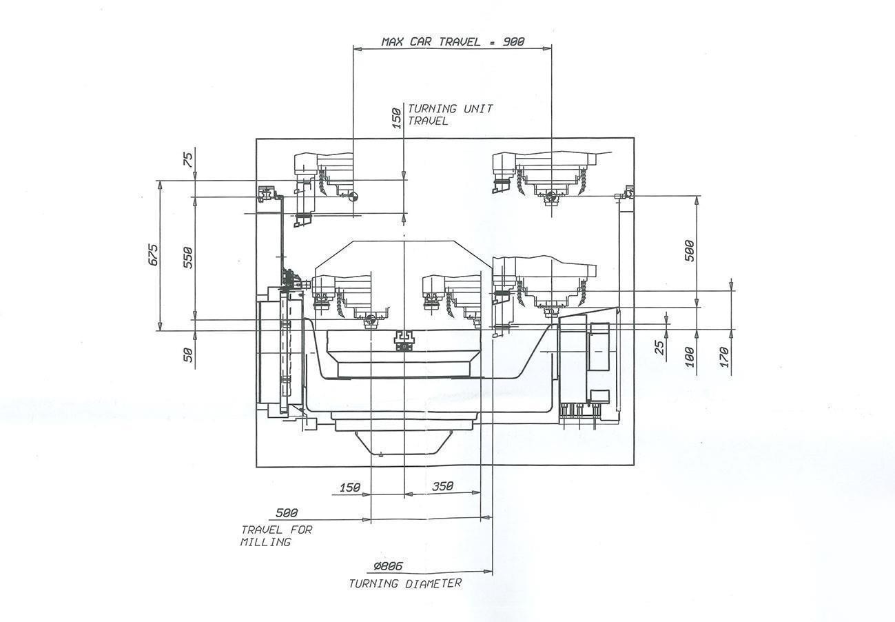
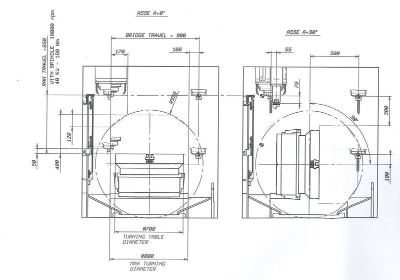
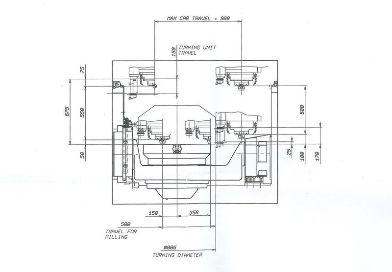
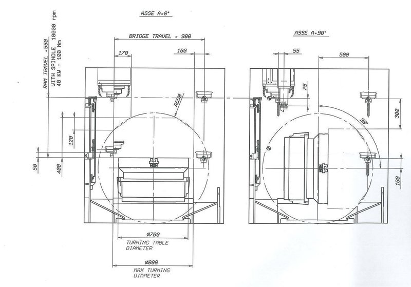
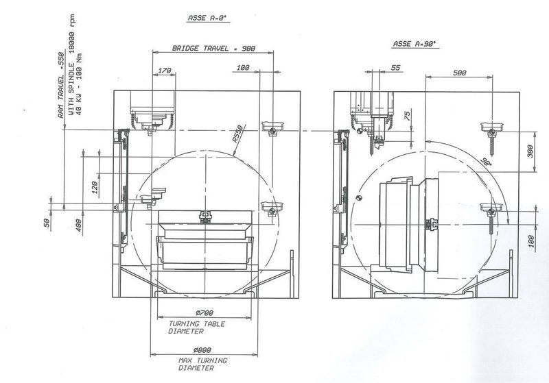
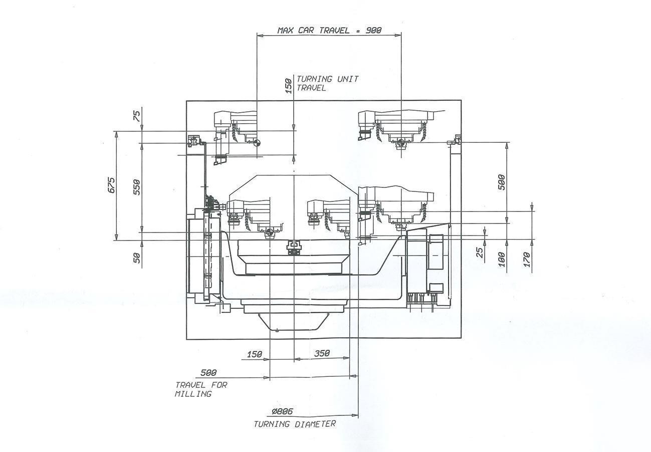
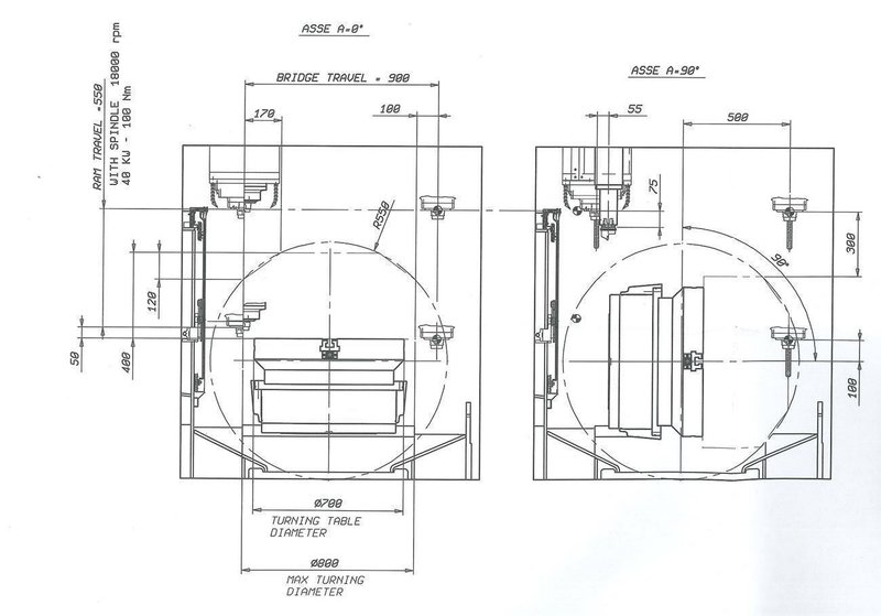
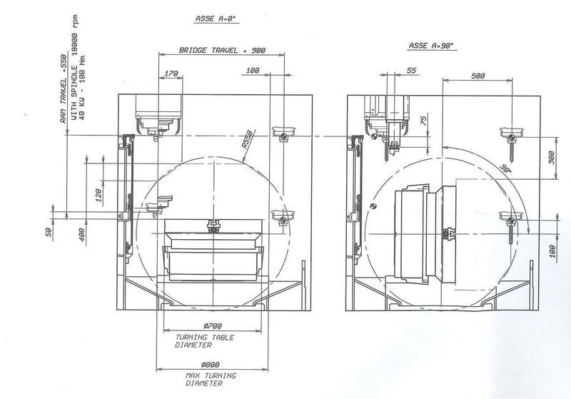
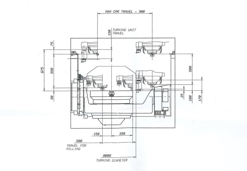
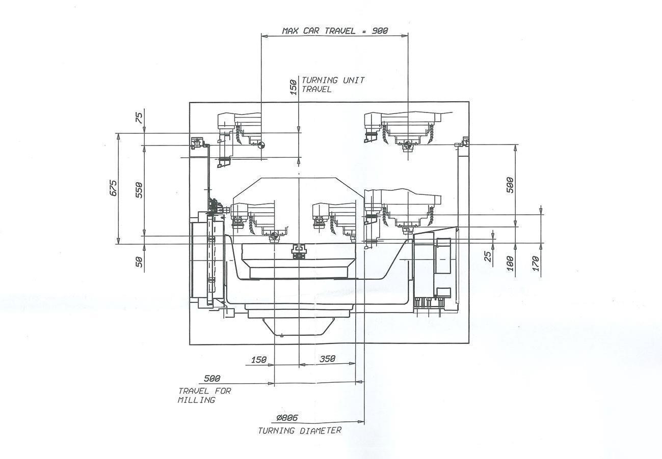
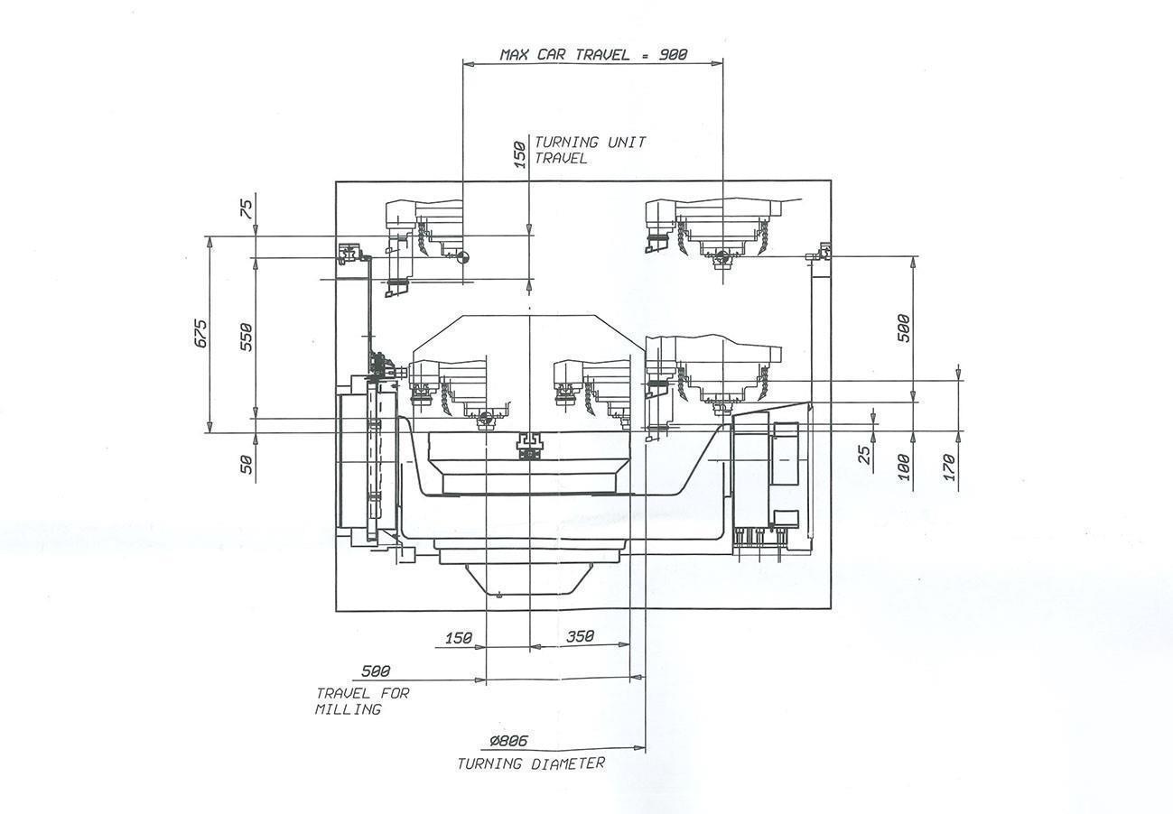
  • Chuck dia. 700 mm
  • Max turningdia -- passage 1100 mm
  • Power on the spindle 40/30 kW
  • Command Siemens 840D Solution Line
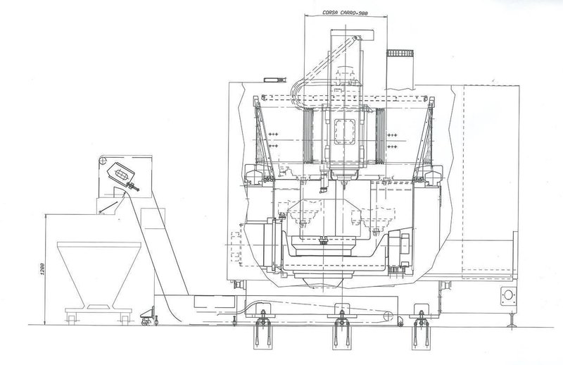
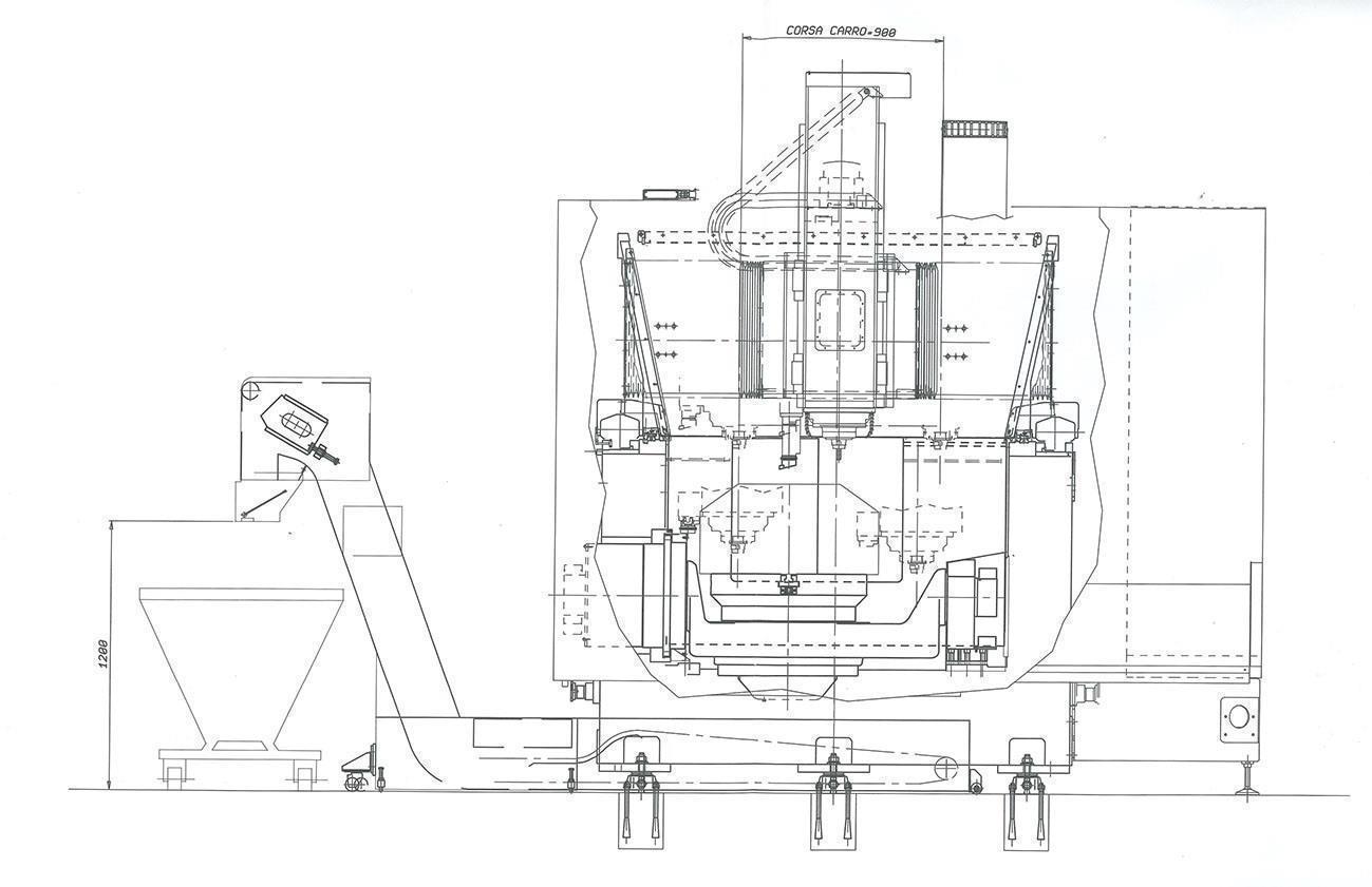
  • Long 4655 mm
  • Wide 5890 mm
  • Height 3415 mm
  • Weight 17 ton
  • Turret yes
  • Qty Tools 150 positions
  • Coolant pump yes

Additional info

  • Type: Ultrix 800 RT

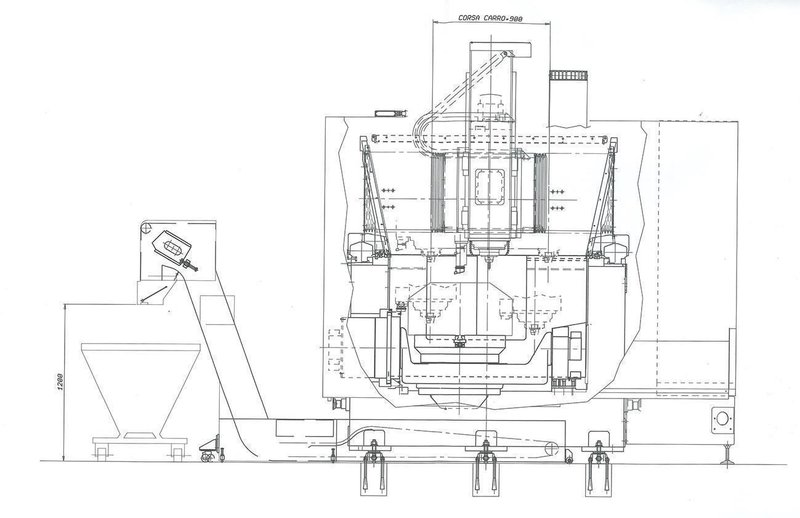
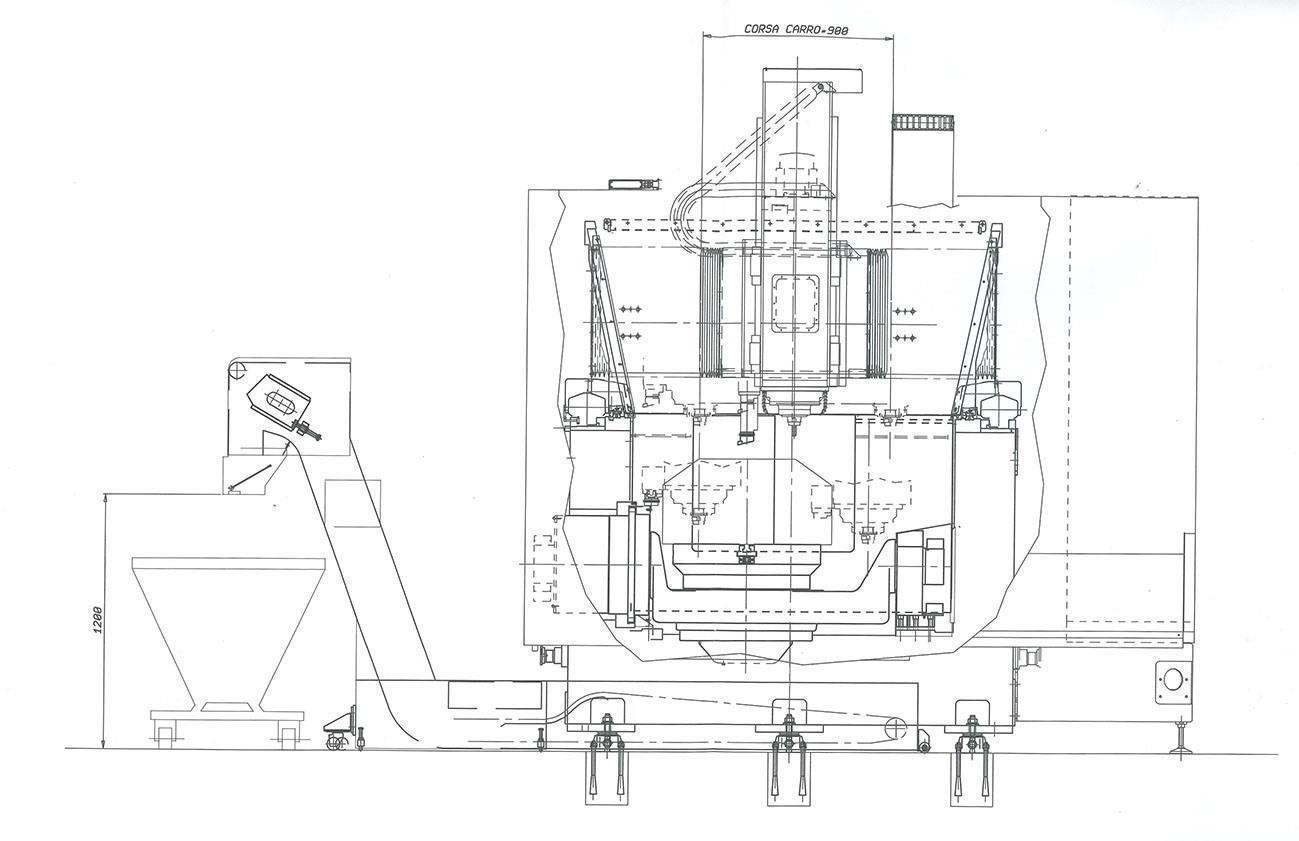
    The Ultrix 800 RT is a multifunction machining center with 5 interpolated axes and a moving gantry design for high-speed milling, turning, grinding, drilling, tapping, finishing, deburring and roughing of complex parts.

    When used for turning > vertical lathe:
    - Swivel range: 1100 mm
    - maximum weight of the workpiece: 700 kg
    - 40/30 kW on the table
    - maximum torque on the table: 1500 Nm
    - Maximum speed of the table: 1000 rpm!!
    - hydraulic clamping on table
    - tool taper for turning: KM63
    - Tool changer with 150 positions, of which 24 for turning.

    When used for milling, grinding, drilling, ... > machining center:
    - X-axis: 800 mm
    - Y-axis: 900 mm
    - Z-axis: 600 mm
    - A-axis: -30° / 110°
    - C-axis: continuous
    - maximum weight of the workpiece: 700 kg
    - 55/40 kW on the spindle
    - maximum torque on the spindle: 137/100 Nm
    - maximum 18,000 revolutions per minute
    - tool taper for milling: HSK-63
    - Tool changer with 150 positions and 126 tool positions for milling, grinding and drilling

    List of options mounted on the machine:
    1 - table diameter 700 mm with hydraulic clamping
    2- Tool changer with 150 positions
    3 - chip conveyor belt
    4 - cooling system with recovery
    5 - Coolant temperature control
    6 - high pressure cooling (40 to 70 bar) through spindle
    7 - smoke extraction system
    8 - Chip collection box
    9 - Presetting System and Tool Integrity: Laser and Mechanical Probe for Measuring Instruments
    10 - Renishaw probe



  • Type/Model: Ultrix 800 X: 800 - Y: 900 - Z: 600 mm CNC
  • Stocknumber: A.12 15968
  • Main category: [A] Lathes
  • Sub category: [A.12] Vertical turning machines conventional & CNC
  • Brand: Breton
No files or videos to display

Want to request a quote from the owner of this listing?

Similar Listings to - Breton - Ultrix 800 X: 800 - Y: 900 - Z: 600 mm CNC
Breton - Ultrix 800 X: 800 - Y: 900 - Z: 600 mm CNC
BRETON

Turning Centers

Mori Seiki NL2500MC/700 CNC Turning Center – 10″ Chuck, C Axis Live Tooling Lathe

Turning Centers

2023 Haas ST-45 CNC Lathe (#5864)
HAAS

Turning Centers

Customize Settings

Your Privacy Is Important To Us

Cookies are very small text files that are stored on your computer when you visit a website. We use cookies for a variety of purposes and to enhance your online experience on our website (for example, to remember your account login details).

You can change your preferences and decline certain types of cookies to be stored on your computer while browsing our website. You can also remove any cookies already stored on your computer, but keep in mind that deleting cookies may prevent you from using parts of our website.

Choose which cookies you want to enable or disable: